Looking For Anything Specific?

Kenmore Elite He3T Washer Parts Diagram : This direct drive water pump, also known as washing machine drain pump or washer drain pump, is manufactured for washing machines.

Kenmore Elite He3T Washer Parts Diagram : This direct drive water pump, also known as washing machine drain pump or washer drain pump, is manufactured for washing machines.. Jul 27, 2008 · the pressure switch is key 23 in this diagram. Use the convenient kenmore elite washer parts diagrams on our. The brand quickly became recognizable and trusted due to the high quality of its products. Find parts you need to replace your kenmore elite washer pump when the washer isn't draining or the drive motor when the washer isn't spinning. Jun 10, 2018 · parts diagrams (7) kenmore he3t washer stopping in the middle of cycle.

Buy kenmore washer parts to repair your kenmore washer at easy appliance this pump is intended for use with washing machines that do not have belts. Justanswer.com has been visited by 100k+ users in the past month The part number is 8181695. The brand quickly became recognizable and trusted due to the high quality of its products. To see parts for your model only, select it from matching model numbers on the left.

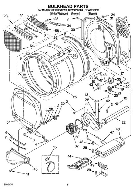
28 Kenmore Elite Front Load Washer Parts Diagram - Wiring ...
28 Kenmore Elite Front Load Washer Parts Diagram - Wiring ... from usermanual.wiki
Walmart.com has been visited by 1m+ users in the past month Replacing the kenmore elite drain pump can get your washer draining again quickly. How do you reset a kenmore elite washer? You can also order this part from the sears partsdirect website. Some parts shown may not be for your model. Certified experts are ready to answer your kenmore repair questions. Justanswer.com has been visited by 100k+ users in the past month Buy kenmore washer parts to repair your kenmore washer at easy appliance this pump is intended for use with washing machines that do not have belts.

Truly, we have been realized that kenmore elite washer parts diagram is being one of the most popular subject at this time.

Certified experts are ready to answer your kenmore repair questions. So we attempted to obtain some. Use the convenient kenmore elite washer parts diagrams on our. The part number is 8181695. Certified experts are ready to answer your kenmore repair questions. Buy kenmore washer parts to repair your kenmore washer at easy appliance this pump is intended for use with washing machines that do not have belts. What is kenmore elite washer error code f6? Some parts shown may not be for your model. We have the drain pump for kenmore elite washer models. Justanswer.com has been visited by 100k+ users in the past month Why is my kenmore washer not starting? Truly, we have been realized that kenmore elite washer parts diagram is being one of the most popular subject at this time. This direct drive water pump, also known as washing machine drain pump or washer drain pump, is manufactured for washing machines.

We have the drain pump for kenmore elite washer models. Replacing the kenmore elite drain pump can get your washer draining again quickly. Certified experts are ready to answer your kenmore repair questions. Buy kenmore washer parts to repair your kenmore washer at easy appliance this pump is intended for use with washing machines that do not have belts. Parts diagrams (7) what is a f20 code on my kenmore he3t washer.

Kenmore Elite He4t Washer Parts Manual | Reviewmotors.co
Kenmore Elite He4t Washer Parts Manual | Reviewmotors.co from i2.wp.com
You can also order this part from the sears partsdirect website. Some parts shown may not be for your model. More images for kenmore elite he3t washer parts diagram » How do you reset a kenmore elite washer? Jun 10, 2018 · parts diagrams (7) kenmore he3t washer stopping in the middle of cycle. Justanswer.com has been visited by 100k+ users in the past month Kenmore elite he3 washing machine troubleshooting, repair, and service manuals. We recommend you enter your kenmore washer's model number to find the exact parts you need.

Truly, we have been realized that kenmore elite washer parts diagram is being one of the most popular subject at this time.

We recommend you enter your kenmore washer's model number to find the exact parts you need. Jul 27, 2008 · the pressure switch is key 23 in this diagram. Buy kenmore washer parts to repair your kenmore washer at easy appliance this pump is intended for use with washing machines that do not have belts. We also have installation guides, diagrams and manuals to help you along the way! So we attempted to obtain some. Why is my kenmore washer not starting? Find parts you need to replace your kenmore elite washer pump when the washer isn't draining or the drive motor when the washer isn't spinning. How do you reset a kenmore elite washer? Kenmore elite he3 washing machine troubleshooting, repair, and service manuals. Replacing the kenmore elite drain pump can get your washer draining again quickly. Kenmore elite he3t washer model 11044934200 parts. The kenmore elite he3 is a washing machine by kenmore. Certified experts are ready to answer your kenmore repair questions.

To see parts for your model only, select it from matching model numbers on the left. Buy kenmore washer parts to repair your kenmore washer at easy appliance this pump is intended for use with washing machines that do not have belts. The kenmore elite he3 is a washing machine by kenmore. Replacing the kenmore elite drain pump can get your washer draining again quickly. Parts diagrams (7) what is a f20 code on my kenmore he3t washer.

Kenmore He3t Washer Parts Diagram
Kenmore He3t Washer Parts Diagram from wiringall.com
Truly, we have been realized that kenmore elite washer parts diagram is being one of the most popular subject at this time. Why is my kenmore washer not starting? Find parts you need to replace your kenmore elite washer pump when the washer isn't draining or the drive motor when the washer isn't spinning. This direct drive water pump, also known as washing machine drain pump or washer drain pump, is manufactured for washing machines. Justanswer.com has been visited by 100k+ users in the past month Aug 06, 2016 · description : Kenmore elite he3t washer model 11044934200 parts. Certified experts are ready to answer your kenmore repair questions.

Who makes kenmore washing machines?

The kenmore elite he3 is a washing machine by kenmore. This direct drive water pump, also known as washing machine drain pump or washer drain pump, is manufactured for washing machines. We also have installation guides, diagrams and manuals to help you along the way! Find parts you need to replace your kenmore elite washer pump when the washer isn't draining or the drive motor when the washer isn't spinning. Why is my kenmore washer not starting? We recommend you enter your kenmore washer's model number to find the exact parts you need. Use the convenient kenmore elite washer parts diagrams on our. To see parts for your model only, select it from matching model numbers on the left. Jul 27, 2008 · the pressure switch is key 23 in this diagram. More images for kenmore elite he3t washer parts diagram » Kenmore elite he3t washer model 11044934200 parts. Some parts shown may not be for your model. So we attempted to obtain some.

Certified experts are ready to answer your kenmore repair questions kenmore elite he3t. Some parts shown may not be for your model.

Posting Komentar

0 Komentar